欢迎光临成都销售润滑、液压和气动专业设备公司!
公司邮箱:
af@njfdjzy.com
首页
公司简介
公司文化
公司业绩
产品集锦
稀油润滑站系列
稀油润滑元件
液压站系列
电动、手动润滑泵
分配器系列
接头和管夹系列
进口润滑-LINCOLN林肯润滑
进口润滑-GRACO固瑞克润滑
产品介绍
稀油润滑系列
干油润滑系统
联系方式
人才招聘
✕
首页
公司简介
公司文化
公司业绩
产品集锦
产品介绍
联系方式
人才招聘
产品介绍
首页
|
产品介绍
|
稀油润滑系列
磁过滤器(CLQ型)
发布时间:
2024-07-08 14:58
浏览量:
204
磁过滤器(CLQ型)
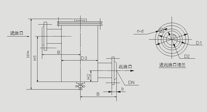
一、概述
CLQ型磁过滤器适用于稀油润滑系统,它安装在稀油站回油管的末端,稀油润滑系统的回油经过磁过滤器流进油箱,它能滤出其它过滤器无法滤出的细小磁性杂质。
经过磁过滤器的油流速度推荐为0.23~0.59m/s。
二、技术参数
三、外形结构及尺寸
连接法兰按JB 81-59的规定(PN=1MPa)
四、型号标注说明
公称通径为50mm的磁过滤器
上一篇:
列管式油冷却器(GLCQ/GLLQ型,JB/T7356-94)
下一篇:
双筒网式磁芯过滤器(SWCQ型,JB/ZQ4592-97)