欢迎光临成都销售润滑、液压和气动专业设备公司!
公司邮箱:
af@njfdjzy.com
首页
公司简介
公司文化
公司业绩
产品集锦
稀油润滑站系列
稀油润滑元件
液压站系列
电动、手动润滑泵
分配器系列
接头和管夹系列
进口润滑-LINCOLN林肯润滑
进口润滑-GRACO固瑞克润滑
产品介绍
稀油润滑系列
干油润滑系统
联系方式
人才招聘
✕
首页
公司简介
公司文化
公司业绩
产品集锦
产品介绍
联系方式
人才招聘
产品介绍
首页
|
产品介绍
|
干油润滑系统
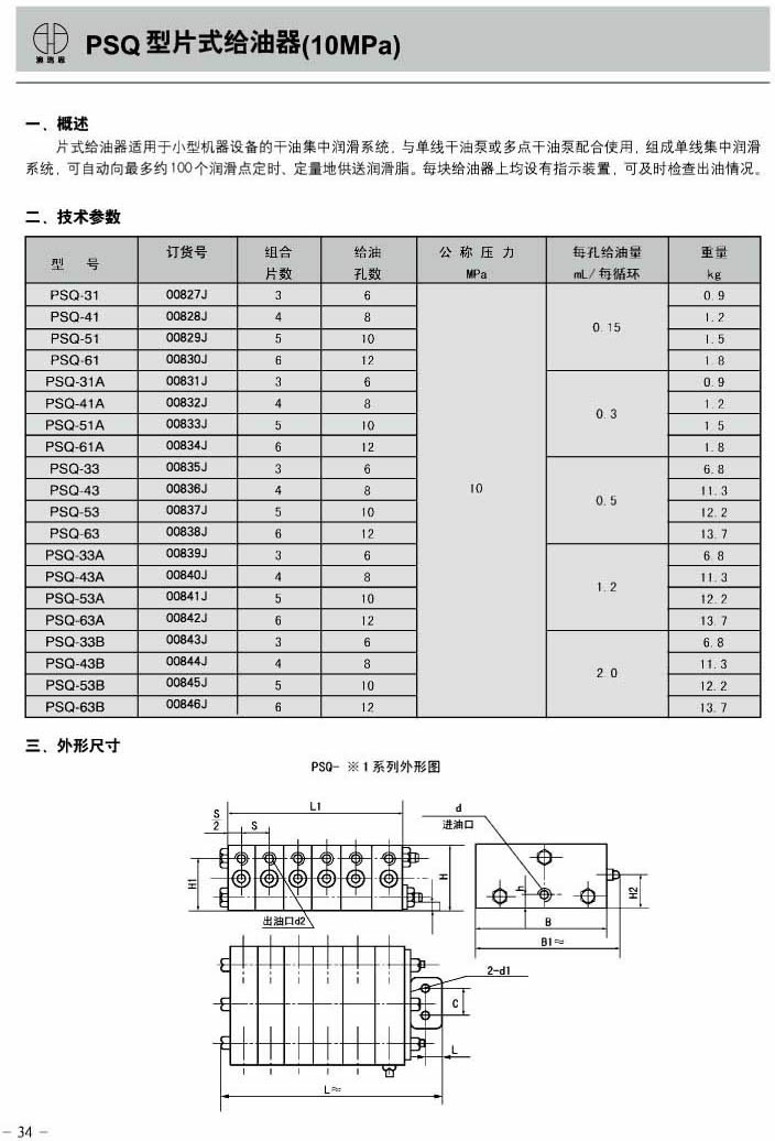
PSQ型片式给油器(10MPa)
发布时间:
2024-07-08 16:44
浏览量:
177
上一篇:
KJ、KM、KL系列单线递进式分配器(7MPa 14MPa 21MPa)
下一篇:
SJQ系列双线给油器(10MPa)