双筒网式过滤器(SLQ型,JB2302-78)
发布时间:2024-07-08 14:33 浏览量:237
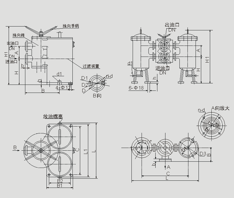
双筒网式过滤器(SLQ型,JB2302-78) 一、概述 产品适用于公称压力为0.6MPa的稀油润滑系统中,用以过滤污垢杂质,提高润滑油的清洁度,小型的为整体式,较大的为组合式,分别由二组过滤筒和一个三位六通换向阀组成,工作时一组过滤筒工作,另一组过滤筒备用,可实现不停车切换过滤筒,达到循环润滑不间断工作的目的。 二、技术参数 
三、外形结构及尺寸 
SLQ-32,SLQ-40双筒网式过滤器(整体式) DN≥50的SLQ型双筒网式过滤器(组合式) 
四、型号标注说明四

|